Principală Balamale pentru uși Balama Usa WALA AXL-1910456-9016 PVC 160 KG alb
325.36 lei
LIVRARE RAPIDĂ până la 48 ore
AXL – Balama în 2 secțiuni pentru uși din PVC
Sarcină maximă admisă :Până la 160 kg
Compatibilitate cu uși rezistente la foc : Nu este destinată utilizării pe uși antifoc
Alte caracteristici :Reglaj independent și precis în 3 direcții
Montaj rapid și ușor : Produs certificat
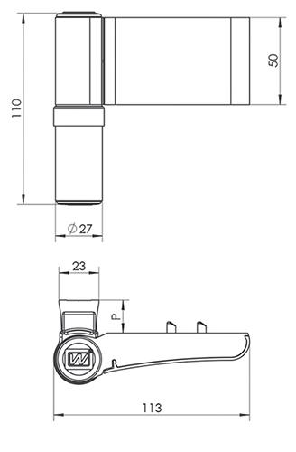
Valoarea P – adâncimea falțului în poziția zero a balamalei (AXL):
AXL 17.. – 17 mm
AXL 19.. – 19 mm
AXL 22.. – 22 mm
AXL 24.. – 24 mm
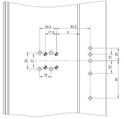
Marcarea găurilor de foraj:
Găurire Ø5 prin armătură de oțel.
Găurire Ø5 la o adâncime de 10 mm (de obicei doar prin materialul de armare).
X Măsurarea distanței de găurire pentru acest sistem este determinată individual pentru fiecare sistem, astfel încât găurirea să se facă direct prin armătura completă, și nu, de exemplu, prin peretele acesteia sau în spatele acesteia. Această valoare este, de asemenea, utilizată pentru poziționarea șablonului manual de găurire a orificiilor în profile la distanța corespunzătoare.
